DRX智能矿物分选机,又称 DRX智能干选机、X射线矿物分选机、干选机。利用X射线实时数据,测算矿物密度相关的特性准确识别不同矿物,实现矿物的快速分选。

设备外观

Softfox DRX intelligent mineral sorting equipment

分选原理

Softfox DRX sorting principle

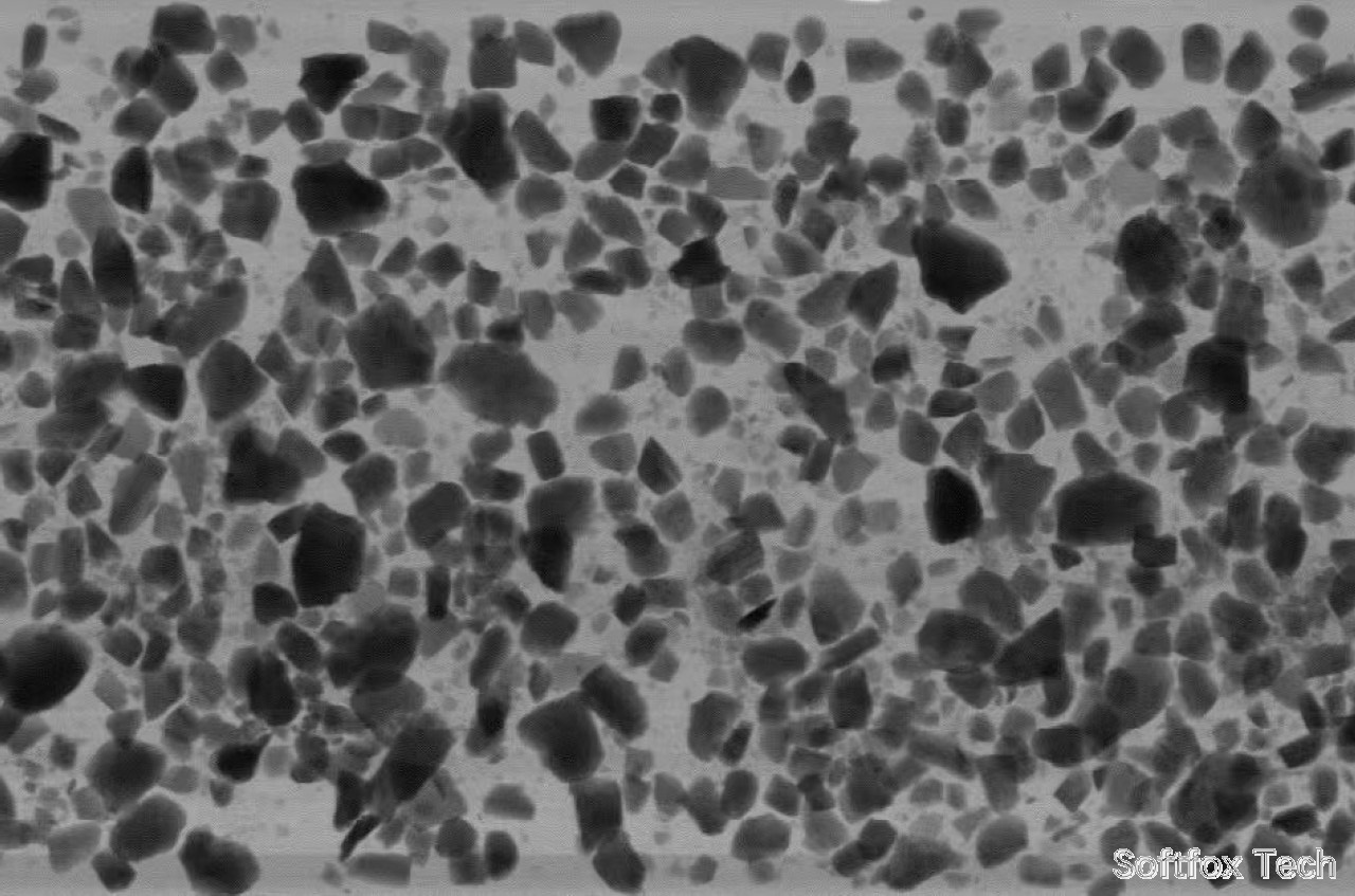
矿物X射线图像

Softfox DRX X-ray image

选煤排矸石测试

分选机技术参数

1. 分选皮带宽度1000mm
2. 分选皮带速度2.75m/s
3. 主机几何尺寸10mx1.3mx2.2m
4. 主机功率15kw
5. 辅助设备功率85kw
6. 矿料处理粒度20 - 350mm
7. 处理能力50 - 200吨/小时
8. 变压器容量130kva
9. 三相交流电压380v/50hz
10. 分离废料率大于95%
11. 废料含好料小于2%


联系我们

上海软狐科技有限公司

邮箱📧: softfox@yeah.net
微信💬: